产品中心

Products

产品中心

TBS-3

TBS-3浊度传感器

TBS-3 洁净度传感器是一款浑浊度洁净度传感器,浑浊度原理是透过一红外光射入水中后,以光组件接收对射光源,依据光功率和水浊度之间的关系,转换成对应的浊度电压标准。

洁净度传感器TBS-3

TBS-3 洁净度传感器是一款浑浊度洁净度传感器,浑浊度原理是透过一红外光射入水中后,以光组件接收对射光源,依据光功率和水浊度之间的关系,转换成对应的浊度电压标准。



应用范围

 洗衣机、洗碗机、水质监测、浑浊度量测。

 产品输出特性

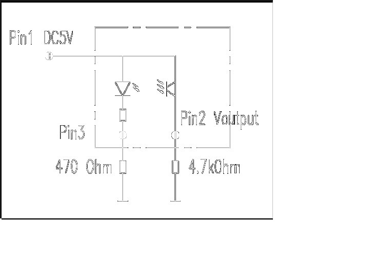
 额定电压:DC5V

 

混浊度量测范围:0-3000NTU 使用温度范围:+5~+90℃ 保存温度范围:-10~+90℃

外形尺寸

       电气原理图:

 

关键部件品牌、参数、成份:

 

No

名称

材料成分

供应商

环保

1

红外对管

IR908

亿光

RoHS

2

支撑

PA6

必一塑业

RoHS

3

外壳

PP

必一塑业

RoHS

4

盖子

PA66-20GF

必一塑业

RoHS


 

     电性能参数:

1、额定电压:DC 5 V

 

2、额定电流:30mA

 

3、耐电压:通电端子和外壳之间施加 AC1500V50Hz 的电压持续 1s,无闪络或击穿现象, 泄漏电流:线路板与壳体之间泄漏电流<0.25mA

4、绝缘电阻:min.100MΩ (DC 500V,  端子至外壳)=>  带电部位和外露非带电金属及非金属之间施加 DC500V 电压,其绝缘电阻应大于 100MΩ

     机械性能及耐环境性能

1、外观:端子无弯曲,外壳无破裂,印字清晰可读。

 

2、使用液体:清水

 

3、使用温度:5℃~90℃

 

4、低温性能: -20℃环境,5V 通电 24h 判定:ΔV 不超过±10%

 

5、冷热冲击性能:-20℃(30min) → +90℃(30min) * 100 个循环 判定:ΔV 不超过±10%

 

6、湿热试验:在 85 ℃85 %R.H. 的环境中﹐放置 90 小时 判定:ΔV 不超过±10%

 

7、盐雾试验:将传感器放置于盐雾箱中 96h 后,没有发生对工作有故障的铁锈

 

8、耐振动性能:振幅 3mm, 4.3G, 22HZ, XYZ 轴 各 10 分钟 判定:无构造上的变形,ΔV 不超过±10%


9、跌落试验:传感器从 800mm 高处自由跌落到硬地 判定:外观无损伤、变形等异常,满足绝缘性能要求。


10、电源:非隔离电源(不能与水直接接触)。

 

PS:输出特性(ΔV)

 

使用液体:(1)使用 NTU0.5 的纯净水作为清水测试溶液;

 

                (2)使用纯净水与牛奶混合配置 NTU=1000±50 浓度测试溶液;

 

1.  浊度传感器的输出特性(ΔV) 是在浊度为NTU0.5 时的输出电压V1 NTU=1000  时的输出电压 V2 的差值。(见图 1

2.  输出特性(ΔV)在测量温度条件为(25±5的情况下应满足: 数据转换后浊水电压换算后电压=4.0V/清水时的电压*实测电压

数据转换后浊水与清水的电压差值=4.0-数据转换后浊水电压值 ΔV=1.15±0.2

 

RoHS 要求

 

本产品符合 RoHS 要求。

相似产品

如果您还有疑问或想了解更多信息,请与我们保持联系!