产品中心

Products

产品中心

BYX-RJ11

BYX-RJ11通讯信号电涌保护器

功能类别

 

1) 多级保护电路,残压低,防护能力强。
2) 限压和限流元件选用品牌,性能稳定可靠。
3) 通流容量大,响应速度快。
4) 工作频带宽,插入损耗小。
5) 安装方便灵活,维护简单实用。

命名规格



产品参数

额定工作电压Uopv(V) 24     48     110
最大持续运行电压Ucpv(V) 30     60     150
通流容量I(kA) 5
交流耐受能力(A/次) 2/5
冲击耐受能力 (kA/次) 1.5/10
电压保护水平Up(V) < 120      < 200     < 500
过载故障模式 模式2

插入损耗(dB)

< 0.5
接口分类 RJ11
保护模式 全模
外壳材料 铝型材
保护等级 IP20

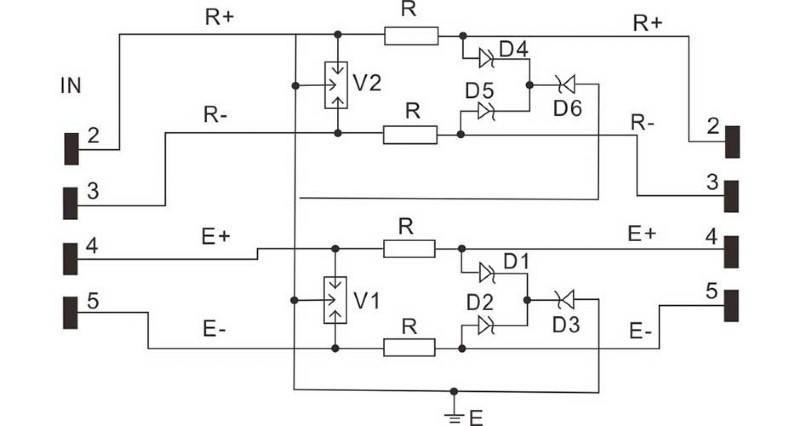
电器原理图




结构尺寸图解



相似产品

如果您还有疑问或想了解更多信息,请与我们保持联系!